产品中心
双节距输送链附件
  首页 > 产品中心   >  传动部件   >  双节距输送链附件  
    产品名称:双节距输送链附件-2
    型号:
    发布时间:2014-01-29 09:22:43
    详细说明:



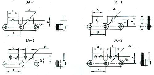
    DIN ISO 链号
    Chian No.
    ANSI链号
    China No.
    P G L C1 C2 F d4 d5
    mm mm mm mm mm mm mm mm    
    C208A C2040 25.4 19.1 19.5 11.1 13.5 20.5 3.4 5.5
    C208AL C2042
    C208B   25.4 23.2 12.7 11.1 13.5 20.5 4.5 5.5
    C208BL
    C210A C2050 31.75 23.8 11.9 14.3 15.9 25 5.5 6.6
    C210AL C2052
    C212A C2060 38.1 28.6 14.3 17.5 19.1 32.9 5.5 9.2
    C212AL C2062
    C212AH C2060H 38.1 28.6 14.3 17.5 19.1 32.9 5.5 9.2
    C212AHL C2062H
    C216A C2080 50.8 38.1 19.1 22.2 25.4 43.5 6.6 11
    C216AL C2082
    C216AH C2080H 50.8 38.1 19.1 22.2 25.4 43.5 6.6 11
    C216AHL C2082H
    C220A C2100 63.5 47.6 23.8 28.6 31.8 50.4 8.4 13
    C220AL C2102
    C220AH C2100H 63.5 47.6 23.8 28.6 31.8 50.4 8.4 13
    C220AHL C2102H

收缩