产品中心
汽车轮毂轴承
  首页 > 产品中心   >  汽车轴承   >  汽车轮毂轴承  
    产品名称:轮毂单元2
    型号:
    发布时间:2014-01-28 12:45:24
    详细说明:



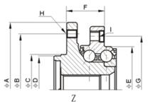
    型号 轴承型号 A B C D E F G (Q'ty) (Q'ty) (Q'ty) J K S
    H I
    1DACF11-985/443 513017K 125.4 100 58.32 57.02 73.4 44.3 98.5 -- 5*M12*1.5 3*Ф12.7 33 Z I
    1DACF4-112/372 513075 126 100 60.7 56.7 87 37.3 112 -- 5*M12*1.5 4*M10*1.5 26 Z II
    1DACF9-103/37 BARB243823AD 130.5 108 68 65 81 37 103 4*M14*1.5 -- 4*M12*1.5 26 Z V
    1DACF8-103/43 574566C 135.5 108 68 65 83.5 43 103 5*M12*1.75 -- 4*M12*1.75 26 Z
    1DACF4-112/375 513074 139 114.3 72.8 71.2 86.8 37.7 112 -- 5*M12*1.5 4*M10*1.5 26 Z II
    1DACF7-112/362 513100 139 108 70.92 63.1 85.44 36.2 112 -- 5*M12*1.5 3*M12*1.75 26 Z I
    1DACF9-112/375 513123 139.3 114.3 73.25 71.32 87 37.5 112 -- 5*M12*1.5 4*M10*1.5 26 Z II
    1DACF8-108/48 513156 140.3 114.3 71.8 71.3 86 48 108 -- 5*M12*1.5 4*M12*1.5 -- Z V
    1DACF9-1143/405 513157 142.8 114.3 67 57 84 40.5 -- -- 4*M12*1.5 4*M12*1.25 25 Y IV
    1DACF11-1207/472 513061 144.5 120.65 70.63 71.14 91.95 47.24 120.65 -- 5*M12*1.5 4*M12*1.75 27 Z I
    1DACF11-1461/449 513044 144.5 115 70.61 70.1 91.06 44.85 146.05 -- 5*M12*1.5 4*M12*1.5 33 Z V
    1DACF3-116/418 513016K 146 115 70.63 70.15 89.95 41.78 116 -- 5*M12*1.5 3*Ф12.7 27 Z I
    1DACF11-116/421 513089 146 114.3 73.3 71.4 91.3 42.1 116 -- 5*M12*1.5 3*M12*1.75 33 Z I
    1DACF8-1207/483 513158 153.5 114.3 72 71.4 100 48.3 120.65 -- 5*1/2-20UNF 3*M12*1.75 27 Z I
    1DACF3-1207/541 513084 154 114.3 72 71.4 100 54 120.65 -- 5*1/2-20UNF 3*M12*1.75 27 Z I
    1DACF9-120/536 515007 160.6 114.3 73.2 71.34 88.9 53.6 120 -- 5*1/2-20UNF 3*M14*1.5 31 X I
    1DACF8-126/508 515006 172.8 139.7 78.1 77.56 99.3 50.75 1265 -- 5*1/2-20UNF 3*M14*1.5 31 X I
    1DACF11-126/565 515001 182 139.7 78.3 77.6 99.3 56.5 126 -- 6*M14*1.5 3*Ф14.7 33 X I
    2DACF9-104/39 BAR0049A 119 100 56.5 60 85 39 104 4*M12*1.5 -- 3*M12*1.5 33 Z I
    2DACF5-95/702 801344A 131 112 68 57 -- 70.15 95 5*M14*1.5 -- 5* Ф10.8 -- Z V

     

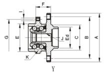
    型号 轴承型号 A B C D E F G (Q'ty) (Q'ty) (Q'ty) J K S
    H I
    2DACF10-112/48 BAR-0088 137 112 65 57 85 48 -- 5*M14*1.5 -- 4*M12*1.5 36 Z V
    2DACF8-1207/56 515014 149.5 114.3 72 70.5 100 56 120.65 -- 5*1/2-20UNF 3*M12*1.75 27 Z
    2DACF8-1207/56-I 515026 149.5 114.3 72 70.5 100 56 120.65 -- 5*1/2-20UNF 3*M12*1.75 -- Y
    3DACF8-102/42 513011K 125.4 100 57.73 57.02 70.99 41.96 102 -- 5*M12*1.5 3* Ф13 33 Z I
    3DACF9-112/375-I 513122 126 100 56.8 60.8 87 37.5 112 -- 5*M12*1.5 4*M10*1.5 26 Z II
    3DACF13-108/48 512155 126.3 100 56.84 57.34 86 48 108 -- 5*M12*1.5 4*M12*1.5 -- Z V
    3DACF8-100/545 3DACF026-1 135 100 54.95 53.92 73.9 54.5 -- -- 4*M10*1.25 4*M12*1.5 -- Z V
    3DACF9-103/43 574566B 135.5 108 68 65 83.5 43 103 4*M12*1.75 -- 4*M12*1.75 26 Z
    3DACF7-86/538 BAR-0051 133.5 112 58 57 67.9 53.8 86 3*M12*1.5 -- 4*M10*1.5 24 Z
    3DACF10-112/59 9173872 135.6 108 67.9 65 87.5 59 112 5*M14*1.5 -- 4*M12*1.75 -- Z
    3DACF10-112/59-I 274298 135.6 108 67.9 65 87.5 59 112 5*M14*1.5 -- 4*M12*1.75 36 Z IV
    3DACF10-84/78 BAR0029C 136 100 57 56.5 60 78 84 4*M12*1.5 -- 4*M10*1.25 -- Z
    3DACF9-90/59 DACF1091-5ABS 139 114.3 90 67 66 59 90 -- 5*M12*1.5 4*M10*1.25 -- Y
    3DACF10-106/511 801106 139 120 79 74 90 51.1 106 5*M12*1.5 -- 4*M12*1.5 -- Z
    3DACF7-114/37 96292254 139.5 114.3 60 56.5 91.2 37 114 -- 4*M12*1.5 3*M12*1.5 -- Z
    3DACF10-86/63 96328247 139.2 114.3 60 56.5 66 63 86 -- 4*M12*1.5 4*M10*1.25 -- Z
    3DACF10-97/747 512018 140 100 55 54 -- 74.7 97 -- 4*M12*1.5 4*Ф10.5 -- Y
    3DACF13-108/48-I 512156 140.3 114.3 71.8 71.3 86.08 48 108 -- 5*M12*1.5 4*M12*1.5 -- Z V
    3DACF10-1143/405 MR455003 142.8 114.3 67 57 84 40.5 -- -- 5*M12*1.5 4*M12*1.25 25 Y
    3DACF9-107/69 HUB231 148 114.3 68 66 84 69 107 -- 5*M12*1.25 4*M12*1.25 -- Z
    3DACF11-99/75 30BWK16 151.8 114.3 62 60 -- 75 99 5*M12*1.5 -- 4*Ф10.5 -- Y
    3DACF8-1207/54 513159 164 114.3 71.8 71.4 100 54 120.65 -- 5*1/2-20UNF 3*M12*1.75 27 Z I
    3DACF10-140/375 50KWH01 169 140 94 67 86 37.5 -- -- 6*M12*1.5 4*M12*1.25 30 --


收缩