产品中心
短节距输送滚子链附件
  首页 > 产品中心   >  传动部件   >  短节距输送滚子链附件  
    产品名称:短节距输送滚子链附件
    型号:
    发布时间:2014-01-29 09:22:43
    详细说明:



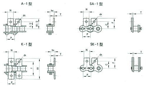
    ISO链号
     Chain No.
    ANSI链号
    Chain No.
    P T d4 f W h4 C F N
    mm mm mm mm mm mm mm mm mm    
    08A 40 12.7 1.5 3.4 25.4 35.2 7.9 12.7 19.05 9.5
    10A 50 15.875 2.03 5.5 31.75 46.2 10.3 15.9 25.25 12.7
    12A 60 19.05 2.42 5.5 38.1 55.6 11.9 18.3 29.33 15.9
    16A 80 25.4 3.25 6.8 50.8 64.8 15.9 24.6 34.7 19.1
    20A 100 31.75 4 9.2 63.5 87.3 19.8 31.8 43.3 25.4
    24A 120 38.1 4.8 11 76.2 108.5 23 36.5 51.6 28.6
    28A 140 44.45 5.6 11.4 88.9 123 28.6 44.5 62 34.9
    32A 160 50.8 6.4 13.1 101.6 142.8 31.8 50.8 69.85 38.1
    08B   12.7 1.6 4.5 25.4 36.4 8.9 13.35 18.9 9.5
    10B   15.875 1.7 5.3 31.76 44.6 10.31 16.5 22.95 14.3
    12B   19.05 1.85 6.4 38.1 52.4 13.46 21.45 28.6 16
    16B   25.4 3.1 6.4 50.8 72.6 15.88 23.45 34 19.1

收缩