产品中心
汽车轮毂轴承
  首页 > 产品中心   >  汽车轴承   >  汽车轮毂轴承  
    产品名称:球轮毂轴承
    型号:
    发布时间:2014-01-28 12:45:24
    详细说明:





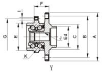
    Bearing no. Dimension Mass Corresponding modle Seal style
    d D B C Kg SKF FAG KOYO
    DAC124000183 12 40 18.3 18.3 0.11 C-00187     D
    DAC20420030/29 20 42 30 29 0.17 565592 J22 539816   B
    DAC205000206 20 50 20.6 20.6 0.21 156704     A
    DAC205000206S 20 50 20.6 20.6 0.22   320104   A
    DAC2184800206/18 21.8 48 20.6 18 0.25       A
    DAC25520037 25 52 37 37 0.31 445539A 576467   B.C.E
    DAC25520037S 25 52 37 37 0.31 FC12025     B.D.F
    DAC25520042 25 52 42 42 0.34 (25BWD01)     BCE
    DAC25520043 25 52 43 43 0.35       B
    DAC255200206/23 25 52 20.6 23 0.33       B
    DAC25550043 25 55 43 43 0.36     (IR-2222) B.C
    DAC25560032 25 56 32 32 0.34       D
    DAC25560029/206 25 56 29 20.6 0.32       B
    DAC254650027/24 25.4 65 27 24 0.6       A
    DAC25720043 25 72 43 43 0.65       I
    DAC27520045 27 52 45 45 0.36       B
    DAC27530043 27 53 43 43 0.36       B
    DAC27600050 27 60 50 50 0.56 27BWD01J (IR-8653)   B.I
    DAC28580042 28 58 42 42 0.45 (28BWD03A)   DAC28582RK B
    DA C28610042 28 61 42 42 0.53 (28BWD01A)     A.B
    DAC29530037 29 53 37 37 0.34   801023A   D?
    DAC30500020 30 50 20 20 0.13       B
    DAC30540024 30 54 24 24 0.36     DE0681 A
    DAC30550030/25 30 55 30 25 0.39     ATV-BB-2 A

     

    Bearing no. Dimension Mass Corresponding modle Seal style
    d D B C Kg SKF FAG KOYO
    DAC30550032 30 55 32 32 0.27       D
    DAC30580042 30 58 42 42 0.48       B
    DAC30600037 30 60 37 37 0.42     6-256706E1 B.C
    DAC30600337 30 60.03 37 37 0.42 633313C 529891AB 545312 B.C.D
    DAC3060037/34 30 60 37 34 0.4       A
    DAC30620032 30 62 32 32 0.36     (30BVV06) B
    DAC30620037 30 62 37 37 0.42   (IR-8004)   D
    DAC30620038 30 62 38 38 0.43 (30BWD10)     D
    DAC30620044 30 62 44 44 0.44       B
    DAC30630042 30 63 42 42 0.47 (30BWD01A)   DAC3063W-1 A.B
    DAC30640037 30 64 37 37 0.47       D
    DAC30640042 30 64 42 42 0.49     DAC3064WRKB F
    DAC30650021 30 65 21 21 0.27 630374/C4 522372 (IR-8014) B
    DAC306500264 30 65 26.4 26.4 0.36 320406     B
    DAC30680045 30 68 45 45 0.52 (30BWD04)     E
    DCA307200302 30 72 30.2 30.2 0.31   3306   A
    DAC30720037 30 72 37 37 0.8 BAHB636035     A
    DAC32720045 32 72 45 45 0.6 (32BWD05)     A
    DAC32580065/57 32 58 65 57 0.6       B
    DAC32720034 32 72 34 34 0.6       B
    DAC34620037 34 62 37 37 0.41 309724 BAHB311316B 561447   B.C



     


    Bearing no. Dimension Mass Corresponding modle Seal style
    d D B C Kg SKF FAG KOYO
    DAC34640037 34 64 37 37 0.43 309726DA 532066DE DAC3464G1 C.E.G.F
    DAC34660037 34 66 37 37 0.41 636114A 580400CA   C.E
    DAC34670037 34 67 37 37 0.44       C
    DAC35680233/30 34.99 68.02 33 30 0.47     DAC3568W-6 A
    DAC35620031 35 61.8 31 31 0.35     DAC3562AW A
    DAC35620040 35 61.8/62 40 40 0.42     DAC3562W-5CS35 B.D
    DAC35640037 35 64 37 37 0,41     DAC3564A-1 C.D
    DAC35650035 35 65 35 35 0.4 BT2B445620B 546238A   B.C.D
    DAC35660032 35 66 32 32 0.42 445980A     B.D
    DAC35660033 35 66 33 33 0.43 BAHB633676     B
    DAC35660037 35 66 37 37 0.48 BAHB311309 544307 (BAHB0023) C.E
    DAC35670042 35 67 42 42 0.45       D
    DAC35680233/30 34.99 68.02 33 30 0.47       A
    DAC35680037 35 68 37 37 0.48 PLC15-12 GB12132S03 DAC3568A2RS B.C.D
    DAC35680042 35 68 42 42 0.52       B
    DAC35680045 35 68 45 45 0.52       B
    DAC35720027 35 72 27 27 0.43       A
    DAC35720028 35 72.02 28 28 0.44       A
    DAC35720033 35 72 33 33 0.58 BAHB633669 548083 GB12094 B.C
    DAC35720034 35 72 34 34 0.6       B
    DAC35720233/31 35 72.02 33 31 0.56     DAC357233B-1W A
    DAC35720433 35 72.04 33 33 0.58 BA2B446762B   GB12862 D
    DAC35720042 35 72 42 42 0.7       B

     



    Bearing no. Dimension Mass Corresponding modle Seal style
    d D B C Kg SKF FAG KOYO
    DAC35720045 35 72 45 45 0.72       B
    DAC35760054 35 76 54 54 0.84 35BWD10     G
    DAC36680033 36 68 33 33 0.5     DAC3668AW A.B.D
    DAC36720434 36 72.04 34 340 0.58       B
    DAC36720534 36 72.05 34 34 0.58 36BWD01C 559225 DAC367234A A
    DAC37680045 37 68 45 45 0.72       B
    DAC37720033S 37 72 33 33 0.58 BAH0051B   (GB40547) B.E
    DAC37720037 37 72 37 37 0.59   TGB40547 (GB12807.S03) D
    DAC37720237 37 72.02 37 37 0.59 BA2B633028 527631 (GB12258) B.C.D
    DAC37720437 37 72.04 37 37 0.59 579794   (GB12131) B.C.D
    DAC37740045 37 74 45 45 0.79 309946AC 541521C   B.C
    DAC37720052/45 37 72 52 45 0.7       D
    DAC38700040 38 70 40 40 0.58       C


     
    Bearing no. Dimension Mass Corresponding modle Seal style
    d D B C Kg SKF FAG KOYO
    DAC38710233/30 37.99 71.02 33 30 0.5   38BWDD09 DAC3871W-2 A
    DAC38720236/33 37.99 72.02 36 33 0.54     DAC3872W-3(-8) A.B
    DAC38740236/33 37.99 74.02 36 33 0.58   574795 DAC3874W-6 A
    DAC38700037 38.1 70 37 37 0.52 636193A     C.D
    DAC38700038 38 70 38 38 0.55     DAC3870BW C.D
    DAC38710039 38 71 39 39 0.62     DAC3871W-3 C.D
    DAC38720034 38 72 34 34 0.46     DAC3872ACS42 B
    DAC38720040 38 72 40 40 0.63     DAC3872W-10 C.D
    DAC38730040 38 73 40 40 0.65     DAC3873-W C
    DAC38740040 38 74 40 40         B
    DAC38740050 38 74 50 50 0.78 38BWD06 559192 NTNDE0892 B.G
    DAC38740036 38 74 36 36 0.46       B.D
    DAC39670037 39 67 37 37 0.46       B
    DAC39680037 39 68 37 37 0.48 BA2B309692 540733   C.G.D.F
    311315BD 309396
    DAC39680737 39 68.07 37 37 0.48       C.D
    DAC39720037 39 72 37 37 0.56 309639 542186A DAC3972AW4 C.E
    BAHB311396B (801663D)
    DAC39720437 39 72.04 37 37 0.56 801663E     C.E

     

    Bearing no. Dimension Mass Corresponding modle Seal style
    d D B C Kg SKF FAG KOYO
    DAC39740036/34 39 74 36 34 0.62       B.D
    DAC39740034 39 74 34 34 0.6       B
    DAC39740038 39 74 38 38 0.65       B
    DAC39740039 39 74 39 39 0.66 636096A 579557   B.D
    DAC39/41750037 39/41 75 37 37 0.62 BAHB633815A 567447B   B.C
    DAC40680042 40 68 42 42 0.51       C
    DAC40720036 40 72 36 36 0.54       C
    DAC40720037 40 72 37 37 0.55 BAHB311443B 566719   C.G.F
    DAC40720036/33 40 72 36 33 0.54     DAC4072W-3CS35 A
    DAC40720437 40 72.04 37 37 0.55 801663D     C.G
    DAC40720637 40 72.06 37 37 0.55 #NAME     C.G
    DAC40730055 40 73 55 55 0.58       D


     

    Bearing no. Dimension Mass Corresponding modle Seal style
    d D B C Kg SKF FAG KOYO
    DAC40740036/34 40 74 36 34 0.58     DAC4074CWCS73 A
    DAC40740036 40 74 36 36 0.6   AU0817-5 40BWD15 B.D
    DAC40740040 40 74 40 40 0.66 801136 559493 DAC407440 B.D
    DAC40740042 40 74 42 42 0.7     40BWD12 D
    DAC40750037 40 75 37 37 0.62 BAHB633966 559494   B.C.D
    DAC40760033 40 76 33 33 0.55   555800   B.D
    DAC40760033/28 40 76 33 28 0.54 474743 539166AB   A
    DAC40760036 40 76 36 36 0.55       B.G
    DAC40760041/38 40 76 41 38 0.66   40BWD05 DAC4076412RS I
    DAC40800302 40 80 30.2 30.2 0.65 440320H 565636   A.D
    DAC40800302 40 80 30.2 30.2 0.65 Y44FB10394 523854   D
    DAC40800036/34 40 80 36 34 0.7     DAC4080M1 B.D
    DAC408000381 40 80 38.1 38.1 0.75   534682B   B.E
    DAC40820040 40 82 40 40 0.8       A
    DAC40840034 40 84 34 34 0.94       A
    DAC40840038 40 84 38 38 0.96 GB40250     B.D
    DAC40800040 40 80 40 40 0.83       C.D
    DAC40842538 40 84.25 38 38 0.97 GB40250S01     B.D
    DAC40900046 40 90 46 46 0.92     (PT40900046) A

     

    Bearing no. Dimension Mass Corresponding modle Seal style
    d D B C Kg SKF FAG KOYO
    DAC401080032/17 40 108 32 17 1.2 BA2B445533   (TGB10872S02) G
    DAC42720038/35 42 72 38 35 0.54       B
    DAC42720038 42 72 38 38 0.66       B
    DAC42750037 42 75 37 37 0.59 309245 545495D   B.C
    633196 533953
    DAC42720037 42 72 37 37 0.6       D
    DAC42750045 42 75 45 45 0.63       B
    DAC42760033 42 76 33 33 0.56   555801   B
    DAC42760038/35 42 76 38 35 0.58 (42BWD06)   (IR8650) A
    DAC42760039 42 76 39 39 0.62   579102   B
    DAC42760040/37 42 76 40 37 0.64 909042 547059A DAC427640 2RSF B
    DAC42760037/35 42 76 37 35 0.56       D
    DAC42780040 42 78 40 40 0.66       B
    DAC42800042 42 80 42 42 0.8       B
    DAC42780045 42 78 45 45 0.68       B
    DAC42780038 42 78 38 38 0.64     42BW09 D
    DAC42800036/34 42 80 36 34 0.7       B.D
    DAC42800037 42 80 37 37 0.79       B.C.D
    DAC42800045 42 80 45 45 0.85     DAC4280W-2CS40 B.C.D




     

    Bearing no. Dimension Mass Corresponding modle Seal style
    d D B C Kg SKF FAG KOYO
    DAC42800037 42 80 37 37 0.75       C.D
    DAC42800342 42 80.03 42 42 0.81 BA2B309609AD 527243C DAC4280B 2RS B.C
    DAC42820036 42 82 36 36 0.77 BA2B446047 561481 (GB12163 SO4) A.B.D
    DAC42820037 42 82 37 37 0.77 BAHB311413A 565636 (GB12269) B.C
    DAC42840034 42 84 34 34 0.75 Y44GB12667     A
    DAC42840036 42 84 36 36 0.88 BA2B444090A 564727 (GB10857 S02) B
    DAC42840037 42 84 37 37 0.91       B
    DAC42840039 42 84 39 39 0.93 440090 543359B (GB10702 S02) B.C.D
    DAC42842538 42 84.25 38 38 0.93       B.E.F
    DAC43760043 43 76 43 43 0.66       B.C
    DAC43770042/38 43 77 42 38 0.64       D
    DAC43790041/38 43 79 41 38 0.84     DAC4379-1 F.D
    DAC43800050/45 43 80 50 45 0.95   43BWD03 DAC4380A A
    DAC43820045 43 82 45 45 0.9   43BWD06 DAC4382W-3CS79 B.C
    DAC43/45820037 43/45 82 37 37 0.76 BAHB633814A 567519A   B.D
    DAC43/45850037 43/45 85 37 37 0.8       D
    DAC448250037 44 82.5 37 37 0.76     (GB40246S07) D
    DAC44850023 44 85 23 23 0.54   4209ATN9   A
    DAC45750027/15 45 75 27 15         A
    DAC45750023/15 45 75 23 15         A
    DAC45800045 45 80 45 45 0.95   564725AB   B
    DAC45800045/44 45 80 45 44 0.95       D
    DAC45800048 45 80 48 48 0.99       D

     

    Bearing no. Dimension Mass Corresponding modle Seal style
    d D B C Kg SKF FAG KOYO
    DAC45830044 45 83 44 44 0.9       B
    DAC45830045 45 83 45 45 0.92       B
    DAC45840038 45 84 38 38 0.87       B
    DAC45840039 45 84 39 39 0.88 309797 45BWD03   B.D.I
    DAC45840041/39 45 84 41 39 0.9     DAC4584DW D
    DAC45840042/40 45 84 42 40 0.9   45BWD07   D
    DAC45840042 45 84 42 42 0.9       B
    DAC45850023 45 85 23 23 0.56   4209   A
    DAC458500302 45 85 30.2 30.2 0.83     (DAC 2004) B
    DAC45850041 45 85 41 41 0.9       B.F
    DAC45850051 45 85 51 51 1       B.F
    DAC45850047 45 85 47 47 1       B
    DAC45880045 45 88 45 45 1.15       D
    DAC45880039 45 88.02 39 39 0.98       B.D
    DAC47810053 47 81 53 53 0.98       F
    DAC47850045 47 85 45 45 0.98   559431   B.F
    DAC48820037/33 48 82 37 33 0.82       B
    DAC49840039 49 84 39 39 0.93       B.D
    DAC49840048 49 84 48 48 0.98       B
    DAC49880046 49 88 46 46 0.95   572506   B
    DAC50820033/28 50 82 33 28 0.78       D
    DAC50900034 50 90 34 34 0.83 633007C 528514   B
    DAC50900040 50 90 40 40 0.98       C
    DAC55900060 55 90 60 60 0.99       D.E






收缩